

产品概述
Lotek JSATS AMT—鱼类声学遥测系统最早被开 发用于监测哥伦比亚河流域的三文鱼,声学标记 小巧的尺寸和持久的电量寿命保证了在自然环境 中进行长周期的追踪监测。
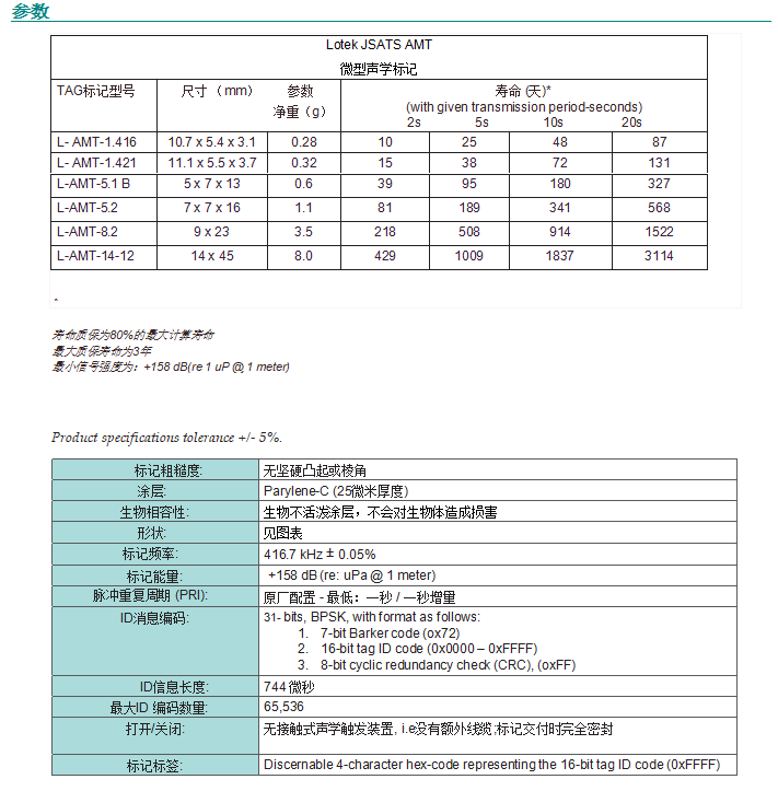
Lotek JSATS AMT 声学标记 与JSATS接收系统兼容,运用了Binary Phase-Shift Keying (BPSK)解码技术,支持成千上万个不同ID共用同一个声学频率。
Key Features
轻便小巧 (0.28g) - 适合各类鱼类,包括幼鱼
超过 65,000 不同的ID - 低错误率
毫秒级别ID消息长度提供了超长寿命并降低误码率
用于长周期监测
用于无线二维(2D)定位,通过 Lotek UMAP定位系统
与WHS 4000声学接收站兼容

产品目录
Product Category热点新闻
hot news