
产品概述
AEM自容式电磁海流计

原产地:日本
厂家:JFE Advantech Co.,Ltd
型号:AEM
简介:
AEM 电磁式海流计是一款轻量化、紧凑式设计的电磁海流计。其电磁传感器经受了无数次的考验,可以再严苛的环境下提供准确的海流数据。电磁式海流计相比传统海流计拥有更加稳定的特性及相当好的精度。适用于物理海洋等研究领域。
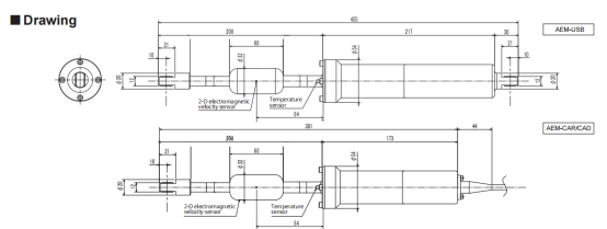
技术参数:
测速范围:0~±500cm/s
分辨率:0.02cm/s
精度:±1cm/s
传感器:2维电磁传感器
方向传感器:0~360°
方向分辨率:0.01°
精度:2°
温度传感器范围:-3~45℃
温度传感器精度:±0.02℃
数据存储方式:内存卡
供电方式:自带3.3Ah电池
通讯方式:USB
重量:1Kg空气中 水中0.6kg
耐压:1000m

产品目录
Product Category热点新闻
hot news